諸元データや実測値はリバースエンジニアリングによって取得済!BYD元PLUSのGT-SUITE熱マネージメントモデル

皆さま、こんにちは。
IDAJの小川です。
IDAJでは、ソフトウェア販売・技術サポートだけでなく、お客様のモデルを構築させていただくコンサルティングサービスを数多く承っています。一般的には、モデル化したい対象のデータをお客様からお預かりしてモデル化します。ここでのデータとは、寸法や性能などの諸元や実測値です。言い換えると、特定のお客様向けのカスタマイズモデルとなります。
しかし、個社で対象車を購入し、寸法諸元などを測って実験し、さらにモデル化するとなると、相当大掛かりな取り組みになります。そこで、本記事でご案内する新サービスでは、特定の車種を対象に、予め諸元データや実測値をリバースエンジニアリングによって取得し、GT-SUITEでモデル化した各種データを販売させていただきます。
GT-SUITEベンチマーキングモデルご提供サービスの概要
近年、各社がリリースしている複雑な切り替えバルブを備えた統合熱マネージメントシステムへの関心が高まっていることを受け、GT-SUITEを使用した熱マネージメントシステムモデルが対象です。
本サービスでは、株式会社小野測器様の計測技術とIDAJの解析技術とを組み合わせ、また両社の知見によって再現度の高い熱マネージメントモデルを構築しています。今回の対象車種は、電気自動車で注目されているBYD 元PLUS(日本名:ATTO3)です。

1比亜迪(BYD) 元PLUS
出典:小野測器様リーフレット(GT-SUITEを使用した熱マネ性能のモデル化)
GT-SUITEの熱マネージメントモデル
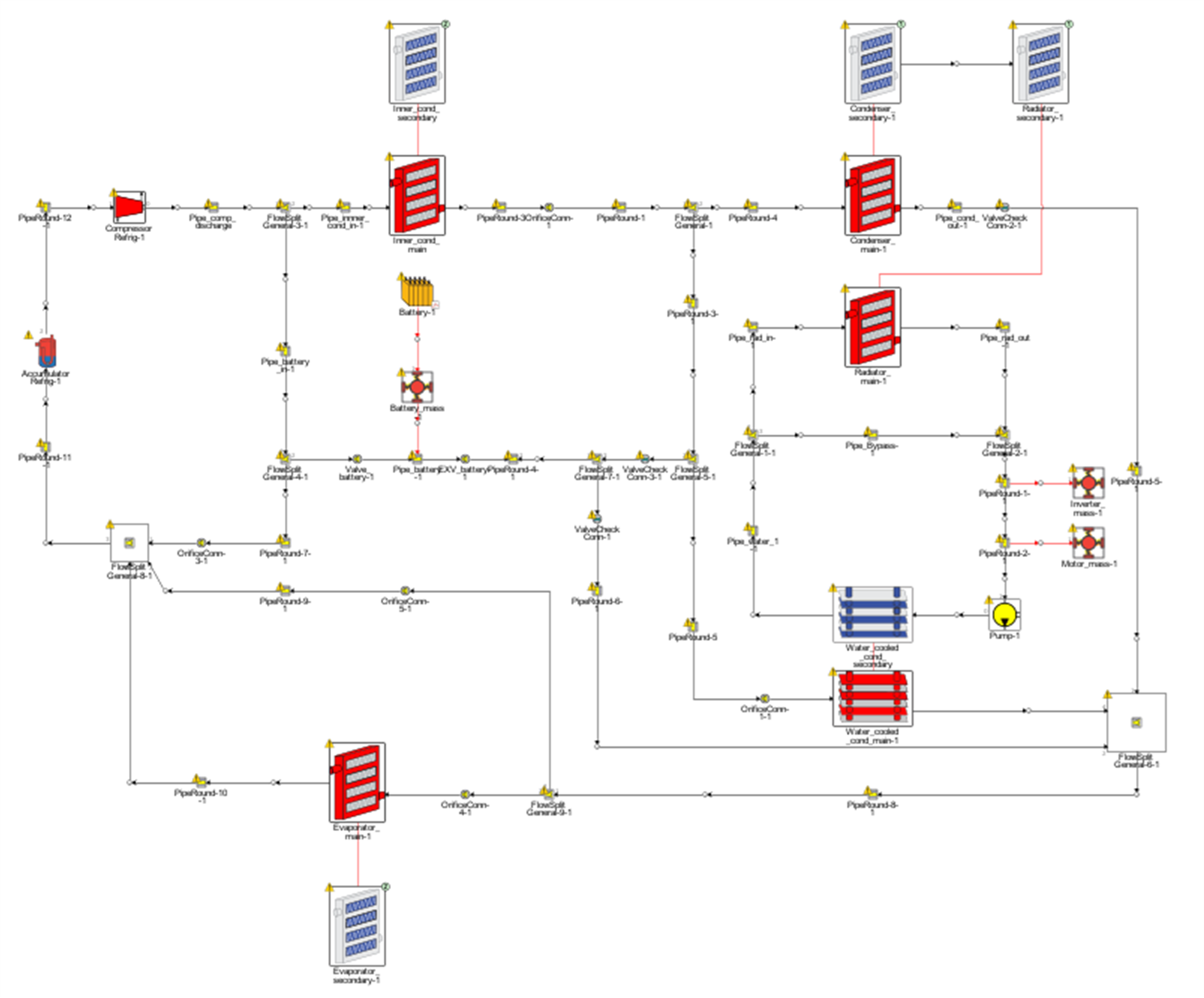
元Plusでは、空調だけでなくバッテリなども冷媒によって直接冷却されています。また各切り替えバルブによって、さまざまな運転モードに対応した統合熱マネージメントシステムとなっています。そのため冷媒の相変化やエンタルピーまでを考慮した状態推定が必須です。これらを、統合熱マネージメント解析が得意なGT-SUITEを使用してモデル化しています。
GT-SUITEでは、物理モデルとして構築することができますので、各種熱マネージメントの検討に用いることが可能です。例えば、熱マネージメント回路のトポロジー、冷却方式、サイズ変更などの検討、またポンプや各熱交換器といったコンポーネント仕様を変更し、システムへの影響を考慮することができます。実際には、OEMとサプライヤー間によるコンポーネントの仕様摺り合わせが行われていることと思いますが、モデルを通してそれらを検討することが可能です。さらに車両とドライバーモデルを組み込んで、最終的には電費への影響を検討できるモデルとすることができます。

GT-SUITEモデル図(イメージ)※実際にご提供するモデルは予告なく変更することがございます。
モデルによる検討が盛んに行われており、このトレンドは今後ますます加速することは間違いありません。一方でモデルを入手するには、実測からモデルに落とし込む必要があり、実測とモデルが近い存在にもなってきました。このような状況の中で、今回は注目度の高いBYDの元Plusの実測から熱マネージメントモデル作成までを包括的にご提供するサービスを開始しました。
小野測器様が計測されたた結果をモデル化し、その予め構築したモデルを販売するというサービスは、IDAJにとって新しいチャレンジでもあります。こういった取り組みに対して、ぜひ皆さまのご意見を拝聴したいと考えておりますので、ご要望を含め、本サービスにご興味があるお客様はどうぞお気軽に下記までご問い合わせくださいますようお願いいたします。
■オンラインでの技術相談、お打合せ、技術サポートなどを承っています。下記までお気軽にお問い合わせください。ご連絡をお待ちしています。
株式会社 IDAJ 営業部
Webからのお問い合わせはこちら
E-mail:info@idaj.co.jp
TEL: 045-683-1990
