【適用事例紹介】GT-POWERのエンジンモデルによる制御システムへの適用 ~SiL、HiL、リアルタイムモデリング~
皆さま、こんにちは。
IDAJの小川です。
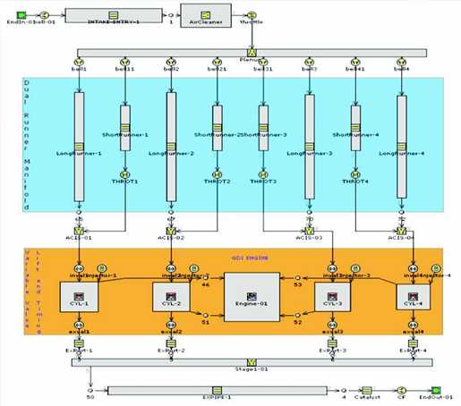
自動車総合シミュレーションプラットフォームGT-SUITEは、もともとはGT-POWERという名前でエンジン性能解析のモデリングソフトウェアとして誕生しました。もちろん、今でもこのエンジン性能シミュレーションに関係する部分だけをGT-POWERライセンスとしてご提供しています。
GT-POWERライセンスは、自動車メーカー様や自動車エンジン部品メーカー様はもちろんのこと、二輪車、船舶、発電、建設機械や農業機械などあらゆるエンジンに関連するメーカー様でお使いいただいています。
最近では、GT-POWERで作成したエンジンモデルをFRM(※1)やMVMと言われるリアルタイム実行可能モデルへと縮退し、制御システム用のプラントモデルとしてご利用いいただくなど、適用フィールドはさらに拡がっています。(※1)FRMモデル作成のためには別途オプションが必要です。

【特徴】
■GT-POWER詳細モデルを高速実行バージョンに短時間で変換
■物理ベース(FRM)と平均値ベース(MVM)の両方のエンジンモデルを使用可能
■ETAS、dSpace、A&D、NI、Mathworks等のシステムなど、SiLとHiLの両方に対応
資料はこちら(※2)でダウンロードしていただくことができます。
(※2)外部サイト「イプロス」で公開しています。ぜひ、ご覧ください。
■お問い合わせ先
株式会社 IDAJ 営業部
E-mail:info@idaj.co.jp
TEL: 045-683-1990